
BNC接头网售后服务及保障
0 评论
/
第一、BNC接头网所有产品均可享受一年内质保权利,一般情况,产品插拔力均大于500次。
第二、BNC接头网所有BNC产品均由德索电子提供,通过ISO认证,质量符合国内及国际产品要求。
第三、BNC接头网仅展示了部分商品,更全更新的产品还未来得及上传,可以联系我们的客户,领取产品附件以及对应报价单。
bnc接头网,作为国内首家专业bnc采购平台,提供各种BNC产品个性化需求定制服务,只要您的需求不违背产品设计原理,德索BNC接头网均可满足。我们在BNC的研发、生产、销售方面,已经有十三年的生产经验,多年的积累,让我们可以轻松解决BNC设计、生产方面的各种难题。
线材也好,转接头也罢,接头接口也行,您想要的BNC产品这里全都有。购买bnc系列产品,拨打电话:0769-81153906。购买平台:http://www.bncjietou.com/。

bnc接头网产品来源公告
/
bnc接头网所有产品均来自德索电子,本网展示的bnc接头、bnc线缆、bnc转接头产品并非全部,如果您没有找到心仪的产品,可以直接拨打我们的电话:0769-81153906,我们会免费为您提供产品详情报价单以及样品传输。
德索电子是专业的BNC接头生产厂家,2005年成立,有着十三年的BNC生产研发经验,产品过ISO认证,包含了BNC连接器、BNC转接头和BNC组装线材等,广泛应用于高清视频、安防监控、天线、无线设备等各个领域。
概念介绍:
BNC接头,主要用于同轴电缆,全称Bayonet…

德索BNC接头网宗旨及图片版权声明
/
BNC接头网(http://www.bncjietou.com/),以BNC产品为主题,旨在做一个专业的bnc接头采购供应平台,满足广大客户的bnc产品采购需求。
本网图片均来自团队人员精心实物拍摄,版权归东莞市德索五金电子有限公司所有,盗图请慎重,未经允许,不得使用。
BNC接头网所有产品通过ISO认证,质量合格靠谱,一年内可进行质保,广大客户可放心购买。BNC接头网采购VIP热线:0769-81153906。
德索bnc接头产品展示:http://www.bncjietou.com/gongtoumutou/

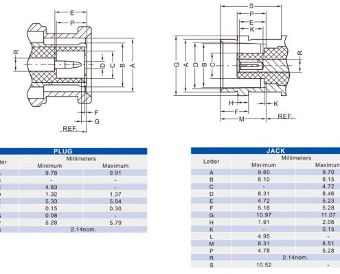
德索BNC连接器技术性能&规格参数
/
在下文中,主要会展示德索五金电子bnc连接器的图纸信息、电器性能、机械性能、环境性能四个方面的内容,旨在帮助客户更好了解我们的产品。购买具体的产品,可以进入产品频道查看每一款产品的详细参数。
BNC连接器产品界面
第一、电气性能
阻抗:…

来来来,BNC接头报价是一门学问
/
BNC接头报价是一门学问,老业务员在遇到这种问题的时候,总是能够应对自如,但是一些业务员新手,对于BNC接头报价就不能掌握好火候,那么BNC接头报价怎么报比较好呢?对于这样的问题,不管是客户也好,还是业务员也好,相信大家都很关心,下面小编就为您介绍一些关于bnc接头报价方面的知识。
bnc接头报价不能乱报,一定根据产品的原材料价格、客户的需求、以及自身的利润空间等来综合评判。
德索五金电子bnc接头产品均通过ISO产品认证,并且提供定制服务,价格方面比较合理,客户朋友不用担心。德索五金电子,秉承着长期合作的理念,服务于用户,满足客户采购需求的同时,自己赚一点微薄的差价就OK了。
阅读完上述内容之后,您对于BNC接头报价还存在疑惑,可以向bnc接头网发送邮件咨询您想要咨询的问题,我们的工程师时间会及时给您专业的答复。如果您有BNC接头、BNC线材、BNC转接头等相关产品的采购需求,可以拨打我们的电话0769-81153906。
本文来源:http://www.bncjietou.com/news/271/

不知道就落伍了,BNC接口与AV接口之间的区别!
/
不知道就落伍了,BNC接口与AV接口之间的区别!作为一名电子元器件从业人员,您一定听说过BNC接口与AV接口两种连接器件,但若是小编问您BNC接口与AV接口之间的区别您能答上来吗?下面德索五金电子技术人员就BNC与AV接口之间的区别为您详细介绍一下。
第一、先来了解什么是AV接口,会涉及到概念的介绍,以及AV接口的优点、应用范围等等。
AV接口:
AV接口又称(RCA),是指目前一些车载GPS设备,通过自身携带的音、视频端子,连接AV线路将自身的数据图像声音等,输出到其它显示及视听设备上,如外接显示器或耳机等,接口主要有AV复合端子,S-VIDEO端子,耳机接口等。它可以算是TV的改进型接口,外观方面有了很大不同。分为3条线,分别为:音频接口(红色与白色线,组成左右声道)和视频接口(黄色)。
由于AV输出仍然是将亮度与色度混合的视频信号,所以依旧需要显示设备进行亮度和色彩分离,并且解码才能成像。这样的做法必然对画质会造成损失,所以AV接口的画质依然不能让人满意。在连接方面非常的简单,只需将3种颜色的AV线与电视端的3种颜色的接口对应连接即可。
总体来说,AV接口把视频和音频进行了分离传输,从而避免了音频和视频的互相干扰。但是由于在视频传输上还需要把亮度和色度进行解码显示,所以视频传输还是存在损失的,所以目前的高清视频播放基本都放弃了AV接口。
第二、了解完AV接口完,我们就来讲解下BNC接口的概念、原理以及其应用范围、优势等等。
BNC接口:
BNC(基本网络卡)接口是10Base2的接头,即同轴细缆接头。可以隔绝视频输入信号,使信号相互间干扰减少,且信号带宽要比普通15针的D型接口大,可达到更佳的信号响应效果。这种接口的网卡对应用于用细同轴电缆为传输介质的以太网或令牌网中,目前这种接口类型的网卡较少见,主要因为用细同轴电缆作为传输介质的网络就比较少。
现在多用于安防行业监视器传输视频信号和有线电视室内墙壁接口。只有17英寸以上显示器中的部分新产品才具备这种接口。它的视频信号输入线分别由R、G、B以及水平扫描、垂直扫描五条线构成,这种接头能够把视频中三基色的输入讯号分开,使它们相互独立,这样可最大限度避免造成干扰,从而使视频输入特性得到改善。也因为如此,BNC方式一直是专业级显示器的特色之一。
阅读完上述内容之后,您对于BNC接口与AV接口之间的区别要是还存在疑惑,可以向bnc接头网发送邮件咨询您想要咨询的问题,我们的工程师时间会及时给您专业的答复。如果您有BNC接头、BNC线材、BNC转接头等相关产品的采购需求,可以拨打我们的电话0769-81153906。
本文来源:http://www.bncjietou.com/news/255/
https://www.bncjietou.com/wp-content/uploads/2017/11/1512442873-7976-2d37560c59fa0fe.jpg--420-420.jpg
420
420
dosin
http://www.bncjietou.com/wp-content/uploads/2017/12/bncjietou-logo.png
dosin2017-11-29 16:32:142017-12-12 20:06:29全新射频产品线BNC射频连接器与组件改善查看体验
最全的示波器探头BNC接头接口整理汇总
/
很多用户朋友一定为这样的问题困扰过:实验室里的示波器和探头有那么多,不同厂家之间的探头和示波器能否混合使用呢?混合使用以后会不会对测量产生一些不利影响。有部分探头的形状较为特殊,这种特殊设计的探头是出于什么原因的考量,技术考虑还是商业模式考虑,能否兼容其他型号的示波器?下面德索五金电子技术人员就为您一一揭晓。
1、BNC接头
BNC接头是一种用于同轴电缆的连接器,即卡口配合型连接器,现在广泛用于信号间的连接与传输,包括模拟或数字信号的传输、业余无线电设备天线的连接、航空电子设备和其他的一些电子测试设备的连接。
图1…
