德索BNC连接器技术性能&规格参数
在下文中,主要会展示德索五金电子bnc连接器的图纸信息、电器性能、机械性能、环境性能四个方面的内容,旨在帮助客户更好了解我们的产品。购买具体的产品,可以进入产品频道查看每一款产品的详细参数。
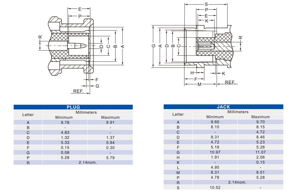
BNC连接器产品界面
第一、电气性能
阻抗: 50 ohm/75ohm
频率范围:50 ohm 为 0~4 GHz / 75 ohm 为 0~1 GHz
电压驻波比:直式 ≦ 1.22/3GHz / 弯式 ≦ 1.30/3GHz
耐电压:1500 V rms
工作电压:500 V rms
中心接触电阻:≦ 1.5 mΩ (Milliohms max.)
外接触电阻:≦ 2.0 mΩ (Milliohms max.)
绝缘电阻:≧5 × 10³ mΩ (Milliohms min.)
第二、机械性能
耦合方式:卡口连接
保持力:6 lbs min.
配接耐久性:≧500 cycles
第三、环境性能
温度范围:Teflon -55oC~+155oC / POM -40oC~+60oC
螺母锁定保持力:100 lbs. min.
振动:MIL-STD-202 Meth. 204
抗腐蚀性:MIL-STD-202 Meth. 101
本文来源:http://www.bncjietou.com/news/276/



发表评论
Want to join the discussion?Feel free to contribute!